Manufacturer of ANSI B16.36 Orifice Flange and Orifice Pipe Flanges in ASME B16.36 Class 150 Lb, 300 Lb, 400 Lb, 600 Lb, 900 Lb, 1500 Lb and 2500 Lb as per ASME/ ASA/ ANSI B16.36
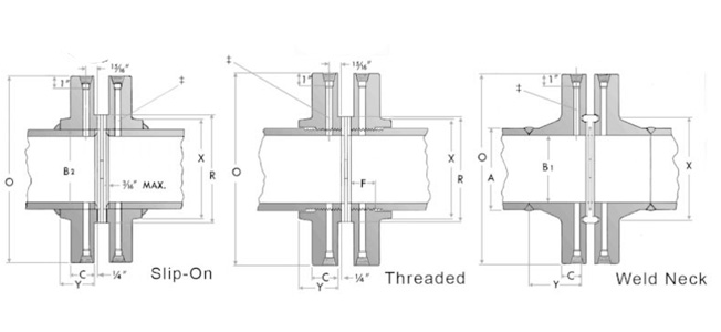
Orifice Flanges are used in conjunction with orifice meters to determine the flow velocity of fluids in a pipeline. Pressure "Tappings" are machined onto the orifice flange, usually on two sides, precisely opposite one other. This eliminates the need for different orifice carriers or tube wall tappings. Raised Faces or RTJ (Ring Type Joint) facings are common on orifice flanges. For all intents and purposes, they are identical to weld neck and slip-on flanges with additional milling. This screw jack is used to separate the flanges so that the orifice plate and seals can be inspected or replaced. Standards should be followed when connecting orifice flanges. The manufacturer's assembly guidelines for integrated flow measuring instruments should be met. Pressure tapping criteria shall apply to line tapping connections. The Orifice Flange is the only one that does something useful.
Table Of Contents
The task of Orifice Flange is to measure the rate at which goods pass through the piping system. ANSI B16.36 Orifice Flanges are easily identified by a hole bored perpendicular to the tube through the surface of the flange. They also have jackscrews, which are a progression of bolts. These screws are used to detach the flanges so that the orifice plate can be inspected and/ or replaced. The orifice flange union meeting is set up of just one component: the orifice flange. Two orifice flanges, an orifice plate, bolts, nuts, jacks and two gaskets form the union of the orifice flange. Rajendra Industrial Corporation is the country's top producer of Stainless Steel and Carbon Steel Orifice Flanges. Our mission is to create the greatest products at affordable prices for everyone. We are the foremost Orifice Flanges manufacturers, suppliers, and stockists, and we can modify all of our products to meet your exact specifications.
| Size | 1/2" (15 NB) to 48" (1200NB) DN10~DN5000 |
|---|---|
| Standards | ANSI/ASME B16.36 |
| Pressure Rating ANSI | Class 150, Class 300, Class 400, Class 600, Class 900, Class1500, Class 2500 |
| Pressure Calculation in DIN | 6Bar 10Bar 16Bar 25Bar 40Bar / PN6 PN10 PN16 PN25 PN40, PN64 |
| UNI | 6Bar 10Bar 16Bar 25Bar 40Bar |
| EN | 6Bar 10Bar 16Bar 25Bar 40Bar |
| Coating | Oil Black Paint, Anti-rust Paint, Zinc Plated, Yellow Transparent, Cold and Hot Dip Galvanized |
| Test Certificates | EN 10204/3.1B Raw Materials Certificate 100% Radiography Test Report Third Party Inspection Report, etc |
| Production Technique | Forged, Heat treated and machined |
| Connect Type/ Flange Face Type | Raised Face (RF), Ring Type Joint (RTJ), Flat Face (FF) |
| Special design | As per your drawing AS, ANSI, BS, DIN and JIS |
| Test | Direct-reading Spectrograph, Hydrostatic testing machine, X-ray detector, UI trasonic flaw detector, Magnetic particle detector |
| Equipment | Press machine, Bending machine, Pushing Machine, electric bevelling machine, Sand-blasting machine etc |
| Material | Brass Orifice Flange, Stainless Steel Orifice Flange, Hastelloy Orifice Flange, Alloy 20 Orifice Flange, Copper Nickel Orifice Flange, Inconel Orifice Flange, Incoloy Orifice Flange, Duplex Steel Orifice Flange, Titanium Orifice Flange, SMO 254 Orifice Flange, Nickel Alloy Orifice Flange, Super Duplex Orifice Flange, AISI 4130 Orifice Flange, Monel Orifice Flange. |
| Material Test Certificates (MTC) as per EN 10204 3.1 and EN 10204 3.2, Test Certificates certifying NACE MR0103, NACE MR0175 | |


Stainless Steel Orifice Flanges

Alloy Steel Orifice Flanges

Carbon Steel Orifice Flanges

Duplex Steel Orifice Flanges

Super Duplex Steel Orifice Flanges

Nickel Alloy Orifice Flanges

Monel Orifice Flanges

Hastelloy Orifice Flanges

Inconel Orifice Flanges

Titanium Orifice Flanges

Alloy 20 Orifice Flanges

Copper Nickel Orifice Flanges
Manufacturer of ANSI B16.36 Orifice Flange and Orifice Pipe Flanges in ASME B16.36 Class 150 Lb, 300 Lb, 400 Lb, 600 Lb, 900 Lb, 1500 Lb and 2500 Lb as per ASME/ ASA/ ANSI B16.36
| Price list of Orifice Flange | US $0.5-1000 / Piece (FOB Price) |
| ANSI B16.36 Class 150 Orifice Flanges Price in India | US $300-500 / Ton (FOB Price) |
| Price list of Orifice Flange | US $1-900 / Piece (FOB Price) |
| Stainless Steel Orifice Flanges Price | US $0.5-1000 / Piece (FOB Price) |
| Orifice Flange Price List | US $1-300 / Piece (FOB Price) |
| Orifice Flange Price Per Piece in India | US $1-800 / Piece (FOB Price) |
| ASME B16.36 Class 300 Raised Faced Orifice Flanges Price | US $15-900 / Piece (FOB Price) |
| Price of Flat Faced Orifice Flange EN 1092-1 Type 02 | US $20-1500 / Piece (FOB Price) |
| EN 1092-2 PN16 Orifice Flange Price List | US $26-2000 / Piece (FOB Price) |
| AWWA C207 Class d Orifice Flange Price | US $18-1800 / Piece (FOB Price) |

We can supply BS 4504 PN10 Orifice Flanges with customized Class / Pressure and sizes, view EN 1092-1 Type 02 Class 150 Orifice Flange Price.
| Size in Inch | Size in mm | Outer Dia. | Flange Thick. | Hub OD | Weld Neck OD | Welding Neck Length | RF Dia. | RF Height | PCD | Orifice Hole dia | No of Bolts | Bolt Size UNC | RF Stud Length | Hole Size | ISO Stud Size | Weight in kg |
|---|---|---|---|---|---|---|---|---|---|---|---|---|---|---|---|---|
| A | B | C | D | E | F | G | H | I | ||||||||
| 1 | 25 | 125 | 36.6 | 54 | 33.4 | 81 | 50.8 | 2 | 88.9 | 6.4 | 4 | 5/8 | 125 | 3/4 | M16 | 4.5 |
| 1 1/2 | 40 | 155 | 36.6 | 70 | 48.3 | 84 | 73 | 2 | 114.3 | 6.4 | 4 | 3/4 | 135 | 7/8 | M20 | 6.5 |
| 2 | 50 | 165 | 36.6 | 84 | 60.3 | 84 | 92.1 | 2 | 127 | 6.4 | 8 | 5/8 | 125 | 3/4 | M16 | 7 |
| 2 1/2 | 65 | 190 | 36.6 | 100 | 73 | 87 | 104.8 | 2 | 149.2 | 6.4 | 8 | 3/4 | 135 | 7/8 | M20 | 7.5 |
| 3 | 80 | 210 | 36.6 | 117 | 88.9 | 87 | 127 | 2 | 168.3 | 9.5 | 8 | 3/4 | 135 | 7/8 | M20 | 9.4 |
| 4 | 100 | 255 | 36.6 | 146 | 114.3 | 90 | 157.2 | 2 | 200 | 12.7 | 8 | 3/4 | 135 | 7/8 | M20 | 13.2 |
| 6 | 150 | 320 | 36.6 | 206 | 168.3 | 98 | 215.9 | 2 | 269.9 | 12.7 | 12 | 3/4 | 135 | 7/8 | M20 | 14.6 |
| 8 | 200 | 380 | 39.7 | 260 | 219.1 | 110 | 269.9 | 2 | 330.2 | 12.7 | 12 | 7/8 | 145 | 1 | M24 | 30 |
| 10 | 250 | 445 | 46.1 | 321 | 273 | 116 | 323.8 | 2 | 387.3 | 12.7 | 16 | 1 | 165 | 1 1/8 | M27 | 41 |
| 12 | 300 | 520 | 49.3 | 375 | 323.8 | 129 | 381 | 2 | 450.8 | 12.7 | 16 | 1 1/8 | 180 | 1 1/4 | M30 | 62 |
| 14 | 350 | 585 | 52.4 | 425 | 355.6 | 141 | 412.8 | 2 | 514.4 | 12.7 | 20 | 1 1/8 | 185 | 1 1/4 | M30 | 84 |
| 16 | 400 | 650 | 55.6 | 483 | 406.4 | 144 | 469.9 | 2 | 571.5 | 12.7 | 20 | 1 1/4 | 195 | 1 3/8 | M33 | 111 |
| 18 | 450 | 710 | 58.8 | 533 | 457 | 157 | 533.4 | 2 | 628.6 | 12.7 | 24 | 1 1/4 | 205 | 1 3/8 | M33 | 138 |
| 20 | 500 | 775 | 62 | 587 | 508 | 160 | 584.2 | 2 | 685.8 | 12.7 | 24 | 1 1/4 | 215 | 1 3/8 | M33 | 171 |
| 24 | 600 | 915 | 68.3 | 702 | 610 | 167 | 692.2 | 2 | 812.8 | 12.7 | 24 | 1 1/2 | 240 | 1 5/8 | M39 | 247 |
| Size in Inch | Size in mm | Outer Dia. | Flange Thick. | Hub OD | Weld Neck OD | Welding Neck Length | RF Dia. | RF Height | PCD | Orifice Hole dia | No of Bolts | Bolt Size UNC | RF Stud Length | Hole Size | ISO Stud Size | Weight in kg |
|---|---|---|---|---|---|---|---|---|---|---|---|---|---|---|---|---|
| A | B | C | D | E | F | G | H | I | ||||||||
| 1 | 25 | 125 | 36.6 | 54 | 33.5 | 81 | 50.8 | 7 | 88.9 | 6.4 | 4 | 5/8 | 125 | 3/4 | M16 | 5.5 |
| 1 1/2 | 40 | 155 | 36.6 | 70 | 48.3 | 84 | 73 | 7 | 114.3 | 6.4 | 4 | 3/4 | 135 | 7/8 | M20 | 7.8 |
| 2 | 50 | 165 | 36.6 | 84 | 60.3 | 84 | 92.1 | 7 | 127 | 6.4 | 8 | 5/8 | 125 | 3/4 | M16 | 8.3 |
| 2 1/2 | 65 | 190 | 36.6 | 100 | 73 | 87 | 104.8 | 7 | 149.2 | 6.4 | 8 | 3/4 | 135 | 7/8 | M20 | 10.8 |
| 3 | 80 | 210 | 36.6 | 117 | 88.9 | 87 | 127 | 7 | 168.3 | 9.5 | 8 | 3/4 | 135 | 7/8 | M20 | 12.6 |
| 4 | 100 | 275 | 38.1 | 152 | 114.3 | 102 | 157.2 | 7 | 215.9 | 12.7 | 8 | 7/8 | 150 | 1 | M24 | 19 |
| 6 | 150 | 355 | 47.7 | 222 | 168.3 | 117 | 215.9 | 7 | 292.1 | 12.7 | 12 | 1 | 180 | 1 1/8 | M27 | 37 |
| 8 | 200 | 420 | 55.6 | 273 | 219.1 | 133 | 269.9 | 7 | 349.2 | 12.7 | 12 | 1 1/8 | 195 | 1 1/4 | M30 | 53 |
| 10 | 250 | 510 | 63.5 | 343 | 273 | 152 | 323.8 | 7 | 431.8 | 12.7 | 16 | 1 1/4 | 220 | 1 3/8 | M33 | 86 |
| 12 | 300 | 560 | 66.7 | 400 | 323.8 | 156 | 381 | 7 | 489 | 12.7 | 20 | 1 1/4 | 230 | 1 3/8 | M33 | 102 |
| 14 | 350 | 605 | 69.9 | 432 | 355.6 | 165 | 412.8 | 7 | 527 | 12.7 | 20 | 1 3/8 | 240 | 1 1/2 | M36 | 150 |
| 16 | 400 | 685 | 76.2 | 495 | 406.4 | 178 | 469.9 | 7 | 603.2 | 12.7 | 20 | 1 1/2 | 260 | 1 5/8 | M39 | 190 |
| 18 | 450 | 745 | 82.6 | 546 | 457.2 | 184 | 533.4 | 7 | 654 | 12.7 | 20 | 1 5/8 | 280 | 1 3/4 | M42 | 240 |
| 20 | 500 | 815 | 88.9 | 610 | 508 | 190 | 584.2 | 7 | 723.9 | 12.7 | 24 | 1 5/8 | 300 | 1 3/4 | M42 | 295 |
| 24 | 600 | 940 | 101.6 | 718 | 609.6 | 203 | 692.2 | 7 | 838.2 | 12.7 | 24 | 1 7/8 | 335 | 2 | M48 | 365 |
| Size in Inch | Size in mm | Outer Dia. | Flange Thick. | Hub OD | Weld Neck OD | Welding Neck Length | RF Dia. | RF Height | PCD | Orifice Hole dia | No of Bolts | Bolt Size UNC | RF Stud Length | Hole Size | ISO Stud Size | Weight in kg |
|---|---|---|---|---|---|---|---|---|---|---|---|---|---|---|---|---|
| A | B | C | D | E | F | G | H | I | ||||||||
| 1 | 25 | 150 | 38.1 | 52 | 33.5 | 83 | 50.8 | 7 | 101.6 | 6.4 | 4 | 7/8 | 150 | 1 | M24 | 5.4 |
| 1 1/2 | 40 | 180 | 38.1 | 70 | 48.3 | 89 | 73 | 7 | 123.8 | 6.4 | 4 | 1 | 160 | 1 1/8 | M27 | 7.8 |
| 2 | 50 | 215 | 38.1 | 105 | 60.3 | 102 | 92.1 | 7 | 165.1 | 6.4 | 8 | 7/8 | 150 | 1 | M30 | 11.5 |
| 2 1/2 | 65 | 245 | 41.3 | 124 | 73 | 105 | 104.8 | 7 | 190.5 | 6.4 | 8 | 1 | 165 | 1 1/8 | M27 | 15.8 |
| 3 | 80 | 240 | 38.1 | 127 | 88.9 | 102 | 127 | 7 | 190.5 | 9.5 | 8 | 7/8 | 150 | 1 | M24 | 22 |
| 4 | 100 | 290 | 44.5 | 159 | 114.3 | 114 | 157.2 | 7 | 235 | 12.7 | 8 | 1 1/8 | 180 | 1 1/4 | M30 | 22 |
| 6 | 150 | 380 | 55.6 | 235 | 168.3 | 140 | 215.9 | 7 | 317.5 | 12.7 | 12 | 1 1/8 | 195 | 1 1/4 | M30 | 70 |
| 8 | 200 | 470 | 63.5 | 298 | 219.1 | 162 | 269.9 | 7 | 393.7 | 12.7 | 12 | 1 3/8 | 230 | 1 1/2 | M36 | 119 |
| 10 | 250 | 545 | 69.9 | 368 | 273 | 184 | 323.8 | 7 | 469.9 | 12.7 | 16 | 1 3/8 | 240 | 1 1/2 | M36 | 204 |
| 12 | 300 | 610 | 79.4 | 419 | 323.8 | 200 | 381 | 7 | 533.4 | 12.7 | 20 | 1 3/8 | 260 | 1 1/2 | M36 | 303 |
| 14 | 350 | 640 | 85.8 | 451 | 355.6 | 213 | 412.8 | 7 | 558.8 | 12.7 | 20 | 1 1/2 | 280 | 1 5/8 | M39 | 400 |
| 16 | 400 | 705 | 88.9 | 508 | 406.4 | 216 | 469.9 | 7 | 616 | 12.7 | 20 | 1 5/8 | 290 | 1 3/4 | M42 | 510 |
| 18 | 450 | 785 | 101.9 | 565 | 457.2 | 229 | 533.4 | 7 | 685.8 | 12.7 | 20 | 1 7/8 | 330 | 2 | M48 | 738 |
| 20 | 500 | 855 | 108 | 622 | 508 | 248 | 584.2 | 7 | 749.3 | 12.7 | 20 | 2 | 355 | 2 1/8 | M52 | 932 |
| 24 | 600 | 1040 | 139.7 | 749 | 609.6 | 292 | 692.2 | 7 | 901.7 | 12.7 | 20 | 2 1/2 | 445 | 2 5/8 | M64 | 1511 |
| Size in Inch | Size in mm | Outer Dia. | Flange Thick. | Hub OD | Weld Neck OD | Welding Neck Length | RF Dia. | RF Height | PCD | Orifice Hole dia | No of Bolts | Bolt Size UNC | RF Stud Length | Hole Size | ISO Stud Size | Weight in kg |
|---|---|---|---|---|---|---|---|---|---|---|---|---|---|---|---|---|
| A | B | C | D | E | F | G | H | I | ||||||||
| 1 | 25 | 150 | 38.1 | 52 | 33.5 | 83 | 50.8 | 7 | 101.6 | 6.4 | 4 | 7/8 | 150 | 1 | M24 | 5.4 |
| 1 1/2 | 40 | 180 | 38.1 | 70 | 48.3 | 89 | 73 | 7 | 123.8 | 6.4 | 4 | 1 | 160 | 1 1/8 | M27 | 7.8 |
| 2 | 50 | 215 | 38.1 | 105 | 60.3 | 102 | 92.1 | 7 | 165.1 | 6.4 | 8 | 7/8 | 150 | 1 | M24 | 11.5 |
| 2 1/2 | 65 | 245 | 41.3 | 124 | 73 | 105 | 104.8 | 7 | 190.5 | 6.4 | 8 | 1 | 165 | 1 1/8 | M27 | 15.8 |
| 3 | 80 | 265 | 47.7 | 133 | 88.9 | 117 | 127 | 7 | 203.2 | 9.5 | 8 | 1 1/8 | 185 | 1 1/4 | M30 | 22 |
| 4 | 100 | 310 | 54 | 162 | 114.3 | 124 | 157.2 | 7 | 241.3 | 12.7 | 8 | 1 1/4 | 205 | 1 3/8 | M33 | 22 |
| 6 | 150 | 395 | 82.6 | 229 | 168.3 | 171 | 215.9 | 7 | 317.5 | 12.7 | 12 | 1 3/8 | 265 | 1 1/2 | M36 | 70 |
| 8 | 200 | 485 | 92.1 | 292 | 219.1 | 213 | 269.9 | 7 | 393.7 | 12.7 | 12 | 1 5/8 | 300 | 1 3/4 | M42 | 119 |
| 10 | 250 | 585 | 108 | 368 | 273 | 254 | 323.8 | 7 | 482.6 | 12.7 | 12 | 1 7/8 | 345 | 1 | M48 | 204 |
| 12 | 300 | 675 | 123.9 | 451 | 323.8 | 283 | 381 | 7 | 571.5 | 12.7 | 16 | 2 | 380 | 2 1/8 | M52 | 303 |
| 14 | 350 | 750 | 133.4 | 495 | 355.6 | 298 | 412.8 | 7 | 635 | 12.7 | 16 | 2 1/4 | 415 | 2 3/8 | M56 | 400 |
| 16 | 400 | 825 | 146.1 | 552 | 406.4 | 311 | 469.9 | 7 | 704.8 | 12.7 | 16 | 2 1/2 | 450 | 2 5/8 | M64 | 510 |
| 18 | 450 | 915 | 162 | 597 | 457.2 | 327 | 533.4 | 7 | 774.7 | 12.7 | 16 | 2 3/4 | 500 | 2 7/8 | M72 | 738 |
| 20 | 500 | 985 | 177.8 | 641 | 508 | 356 | 584.2 | 7 | 831.8 | 12.7 | 16 | 3 | 545 | 3 1/8 | M76 | 932 |
| 24 | 600 | 1170 | 203.2 | 762 | 609.6 | 406 | 692.2 | 7 | 990.6 | 12.7 | 16 | 3 1/2 | 620 | 3 5/8 | M90 | 1511 |
| Size in Inch | Size in mm | Outer Dia. | Flange Thick. | Hub OD | Weld Neck OD | Welding Neck Length | RF Dia. | RF Height | PCD | Orifice Hole dia | No of Bolts | Bolt Size UNC | RF Stud Length | Hole Size | ISO Stud Size | Weight in kg |
|---|---|---|---|---|---|---|---|---|---|---|---|---|---|---|---|---|
| A | B | C | D | E | F | G | H | I | ||||||||
| 1 | 25 | 160 | 38.1 | 57 | 33.5 | 92 | 50.8 | 7 | 108 | 6.4 | 4 | 7/8 | 150 | 1 | M24 | 6.5 |
| 1 1/2 | 40 | 205 | 44.5 | 79 | 48.3 | 111 | 73 | 7 | 146 | 6.4 | 4 | 1 1/8 | 180 | 1 1/4 | M30 | 13 |
| 2 | 50 | 235 | 50.8 | 95 | 60.3 | 127 | 92.1 | 7 | 171.4 | 6.4 | 8 | 1 | 185 | 1 1/8 | M27 | 19 |
| 2 1/2 | 65 | 265 | 57.2 | 114 | 73 | 143 | 104.8 | 7 | 196.8 | 6.4 | 8 | 1 1/8 | 205 | 1 1/4 | M30 | 24 |
| 3 | 80 | 305 | 66.7 | 133 | 88.9 | 168 | 127 | 7 | 228.6 | 9.5 | 8 | 1 1/4 | 230 | 1 3/8 | M33 | 43 |
| 4 | 100 | 355 | 76.2 | 165 | 114.3 | 190 | 157.2 | 7 | 273 | 12.7 | 8 | 1 1/2 | 260 | 1 5/8 | M39 | 66 |
| 6 | 150 | 485 | 108 | 235 | 168.3 | 273 | 215.9 | 7 | 368.3 | 12.7 | 8 | 2 | 350 | 2 1/8 | M52 | 172 |
| 8 | 200 | 550 | 127 | 305 | 219.1 | 318 | 269.9 | 7 | 438.2 | 12.7 | 12 | 2 | 385 | 2 1/8 | M52 | 261 |
| 10 | 250 | 675 | 165.1 | 375 | 273 | 419 | 323.8 | 7 | 539.8 | 12.7 | 12 | 2 1/2 | 490 | 2 5/8 | M64 | 485 |
| 12 | 300 | 760 | 184.2 | 441 | 323.8 | 464 | 381 | 7 | 619.1 | 12.7 | 12 | 2 3/4 | 540 | 2 7/8 | M72 | 730 |
The final process of dispatch is the most tedious of all, and heavy duty cranes are used for it. With the help of our extensive delivery chain we can ensure time critical deliveries at the behest of our esteemed clients.
Our all Orifice Flange packed with seaworthy packing method then delivery to customers, usually the packing way include wooden box, wooden pallet. We make sure that it is seaworthy, strong, waterproof and easy for loading and unloading.












| Alloy 20 Orifice Flanges | Copper Nickel Orifice Flange at Best Price |
| EN 1092-2 PN16 Orifice Flange Stockist in India | AWWA C207 Class D Orifice Flange |
| Table E Orifice Flanges Supplier in Mumbai | Class 1500 Orifice Flange Distributor in Mumbai |
| Raised Face Orifice Flange Manufacturer | ANSI B16.36 Orifice Flange |
| A182 Orifice Flanges | Titanium Flat Faced Orifice Flanges |
| ASME SA105N Raised Faced Orifice Flanges | 18 inch Orifice Class 150 Carbon Steel Flange |
| 4 inch Stainless Steel Orifice Flange | Orifice Flanges Stockholder |
| EN 1092-2 Orifice Flanges | Carbon Steel Raised Face Orifice Flange Stockist |
| JIS B2220 10K Orifice Flange | PN 10 Orifice Flanges |
| ANSI B16.36 Orifice Flanges Wholesaler | EN 1092-1 Orifice Flanges Supplier |
| PN16 Orifice Flange Dimensions | Table D Orifice Flange Dimensions |
| ASME B16.36 Class 300 Orifice Flange Stockist | Flat Faced Orifice Flanges |
| ASME B16.36 Orifice Flange | Orifice Flange Supplier in India |
| Stainless Steel Orifice Flange | ASTM B564 Raised Faced Orifice Flanges |
| Carbon Steel Orifice Flat Face Flange | ANSI #150 RTJ Orifice Flange Supplier |
| 8 Inch Orifice Flanges | ANSI B16.36 150 LBS Orifice Flanges |
| Class 900 Orifice Flange Dimensions | Duplex Steel Orifice Flanges |
| ASME B16.36 Orifice Flange Manufacturer | JIS 10K Orifice Flanges |
| BS 4504 PN10 Orifice Flanges Supplier in Mumbai | Alloy Steel Orifice Flange Manufacturer in India |
| JIS B2220 5K 10K 16K Orifice Flanges | DIN Standard PN25 Orifice Flanges |
| ANSI B16.36 Class 150 Orifice Flange | ASME B16.36 Orifice Flanges Dealer in India |
| JIS 10K Orifice Flange Supplier in Mumbai | MS Orifice Flange Table E |
| 18 inch Orifice Class 150 Carbon Steel Flange | AWWA C207 Orifice Flanges |
| DIN 2503 PN25 Orifice Flanges Supplier | Suppliers of DIN 2543 PN16 Orifice Flanges |
| ASME B16.36 Orifice Flanges Exporter | Class 1500 Orifice Flange Dimensions |
| ASME B16.36 Orifice Flange Manufacturer | 150# Flat Face Orifice Flange Manufacturer |
| JIS 16K Orifice Flange Dealer | DIN 86029 PN10 Orifice Flange Manufacturer |
| Nickel Alloy Orifice Plate Flange | Mild Steel Orifice Flange |
| Duplex Steel Orifice Flanges Supplier in Mumbai | SS Orifice Flange 150LBS |
| ASME B16.36 Class 600 Raised Faced Orifice Flanges | Orifice Flange Exporter |
| JIS 5K Orifice Flange Dimensions | 30 Inch Orifice Flange Dimensions |
copper nickel orifice flange manufacturer in mumbai, orifice flange price, orifice flange dealer in gujarat, orifice flanges manufacturer in rajkot, orifice flange distribution, cost of orifice flange, 30 inch orifice flange dimensions, table d orifice flange dimensions, hastelloy orifice flanges manufacturer in mumbai, class 900# orifice flanges stock, orifice flange din 2576 pn16, orifice flanges manufacturers in india, nickel alloy orifice flange price list in india, alloy steel orifice flanges supplier, alloy 20 orifice flanges manufacturer, orifice flanges traders, orifice flange thickness, class 600 orifice flange dimensions, orifice flanges manufacturer in mumbai, incoloy orifice flanges distributor, orifice flange 150 lbs dimensions, orifice flange manufacturer in india, pn16 orifice flange dimensions, orifice flange price in ahmedabad, stainless steel orifice flanges importer, asme b16.36 ss orifice flange, titanium orifice flange stockist in mumbai, smo 254 orifice flange price list, orifice flanges supplier in mumbai, nickel alloy orifice flange supplier in mumbai, class 600# orifice flanges exporter, ms orifice flange, orifice flange dimensions mm, bs10 table d orifice flange, asme 16.48 orifice flanges stockholder, super duplex steel orifice flange, orifice flange jis 5k, en 1092-1 orifice flange, table e orifice flange dimensions, orifice flange ansi b16.36 class 150, orifice flanges stockholder, orifice flange din 2576 pn10, orifice flange weight chart in kg, 150 lb orifice flange dimensions, ansi b 16.48 orifice flange dimensions, carbon steel orifice flange manufacturer, orifice flanges dealer, orifice flange at best price in india, duplex steel orifice flanges supplier in india, awwa c207 class d orifice flange, orifice flange price list in mumbai, monel orifice flanges exporter, orifice flange price list philippines, orifice flange supplier in india, class 900 orifice flange dimensions, jis 5k orifice flange dimensions, orifice flange dn80 pn10, orifice flanges dealer, orifice flange dimensions 300#, orifice flanges stockist in mumbai, inconel orifice flanges wholesaler, 1/2 orifice flange, orifice flange pn10, biggest orifice flange manufacturer in india, dimensions of orifice flange, orifice flange price list in india, price of stainless steel orifice flanges, orifice flange dimensions in mm, class 1500# orifice flanges.
| Bengaluru | Mumbai | Chennai | Hyderabad | Kolkata | Pune |
| New Delhi | Ahmedabad | Jaipur | Surat | Salem | Gandhinagar |
| Bhiwandi | Tiruppur | Sivakasi | Jamnagar | Thiruvananthapuram | Rajahmundry |
| Bhubaneswar | Vijaywada | Firozabad | Bokaro Steel City | Rajkot | Bharuch |
| Panna | Raipur | Cochin | Ludhiana | Panipat | Durgapur |
| Peenya | Pimpri-Chinchwad | Channapatna | Kharagpur | Nashik | Bareilly |
| Varanasi | Haldia | Rourkela | Bangalore | Moradabad | Indore |
| Visakhapatnam | Trivandrum | Pithampur | Dibrugarh | Angul | Gwalior |
| Coimbatore | Kannur | Nagpur | Vadodara | Rudrapur | Noida |
| Agra | Bhagalpur | Jamshedpur | Bhilai | Lucknow | Kanpur |
| Thane | Bhopal | Sri City | Bareilly | Hosdurg | Pithampur |